Project Info:
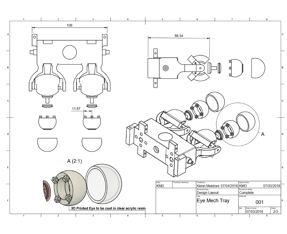
I began learning CAD in November of 2017 to design an Animatronic Robot Head as an exercise in engineering and because I've always been fascinated by the special creature effects used in the movies I grew up with. So I wanted to create a 3D printed animatronic character that could be puppeteered using servo motors and RC radio commands.
This was my first design using Autodesk Fusion 360, I modelled the E-bar and servo trays as well as the skull, ball links, pulleys, bolts, pushrods, servos and nearly all real-world parts I would require when assembling the robot head. The updated design can be viewed below.













